网站首页
关于我们
新闻中心
产品中心
电力服务
运维管理
业绩展示
客户中心
联系我们
客服热线:
15399997036
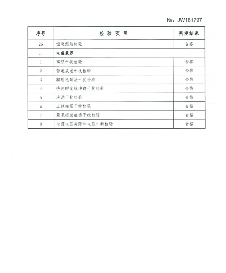
BRM400仪表检验报告
发布时间:2020-03-30 点击率:1393
上一篇:
BRP2692通信网关检验报告
下一篇:
ISO
返回列表